Циркуляционный насос WRS 15 N (монтажная длина 130 мм, корпус - нержавеющая сталь)
Насосы серии WRS являются насосами с «мокрым ротором», ротор двигателя в процессе работы омывается перекачиваемой жидкостью. Монтаж насоса осуществляется непосредственно на трубопровод.
Подробнее
от 6 526 ₽
Остатки на складах
Новосибирск
Наличие: 6 шт.
Москва
Наличие: 1 шт.
Наличие: 7 шт. на складах
Ожидается
Москва
В пути: 8 шт.
Ожидается: 18.05.2026
В пути: 16 шт.
Ожидается: 10.06.2026
Ожидается: 24 шт.
Модель
- WRS 15/40-130 N
- WRS 15/60-130 N
Характеристики
|
Серия
|
WRS |
Описание
Описание
- исполнение насоса с «мокрым ротором»
- ротор двигателя в процессе работы омывается перекачиваемой жидкостью;
- насос монтируется непосредственно на трубопровод;
- для выбора оптимального режима работы, насос имеет три скорости, изменяемые ручным переключателем.
- присоединительные фитинги, входящие в комплект поставки насоса , выполнены из латуни.
Область применения:
Циркуляционные насосы серии WRS предназначены для обеспечения принудительной циркуляции теплоносителя в системах радиаторного отопления и системах отопления типа «теплый пол».
Для использования в системах горячего, холодного и питьевого водоснабжения рекомендуем применять модели с индексом N (корпус из нержавеющей стали) или B (корпус из латуни).
Рабочие жидкости:
- вода;
- чистые, неагрессивные, взрывобезопасные жидкости, без твердых или длинноволокнистых включений, а также примесей, содержащих минеральные масла;
- допускается применение специальных антифризов для систем отопления на основе гликоля с концентрацией не более 50%.
.
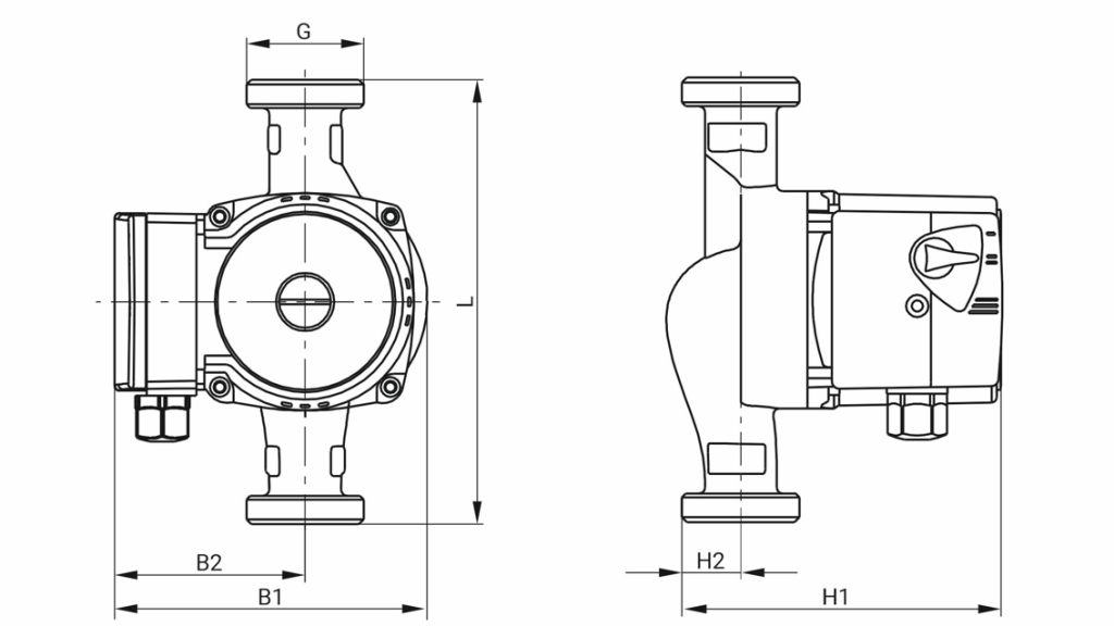
Габаритные и присоединительные размеры:
| Модель | L | H1 | H2 | B1 | B2 | G |
| WRS 15-40 130 N | 130 | 133 | 30 | 127 | 76,5 | 3/4'' |
| WRS 15-60 130 N | 130 | 133 | 30 | 127 | 76,5 | 3/4'' |
| Модель | Артикул | Кол-во скоростей | Напряжение, В | DN |
| WRS 15/40-130 N | 17109983 | 3 скорости | 220 | 15 |
| WRS 15/60-130 N | 17109982 | 3 скорости | 220 | 15 |
Гидравлические характеристики:

Гарантия
Гарантийный срок на насосы WELLMIX составляет 2 года со дня продажи.
Задать вопрос
Задать вопрос
| Новосибирск | 6 шт. | |
| Москва | 1 шт. | В пути: 8 шт. Ожидается: 18.05.2026 шт. В пути: 16 шт. Ожидается: 10.06.2026 шт. |
