Горизонтальные многоступенчатые насосы CUC 12
- CUC 12-10
- CUC 12-10T
- CUC 12-15
- CUC 12-20
- CUC 12-25
- CUC 12-15T
- CUC 12-20T
- CUC 12-25T
- CUC 12-30T
|
Серия
|
CUC |
|
Модель
|
CUC 12 |
Насосы серии CUC являются нормальновсасывающими многоступенчатыми центробежными насосами, с осевым всасывающим и радиальным напорным патрубками.
Насосы CUC состоят из двух основных частей: электродвигатель и насосный агрегат. Промежуточные камеры соединены между собой, а также с основанием и головной частью насоса при помощи стяжных болтов.
Насосы серий CUC оснащаются необслуживаемым торцевым механическим уплотнением вала картриджевого типа.
Области применения
- перекачивание воды в системах водоснабжения;
- повышение давления в высотных зданиях, промышленных установках;
- перекачивание воды в системах сверхтонкой фильтрации и обратного осмоса;
- перекачивание производственных технологических жидкостей;
- перекачивание жидкости в системах отопления, кондиционирования, вентиляции.
Диаграмма характеристик
Таблица характеристик
| Модель |
Мощность Р2, кВт |
Q, м3/ч |
6,0 | 7,0 | 8,0 | 9,0 | 10 | 11 | 12 | 13 | 14 |
| CUC 12-10 | 0,55 |
Н, м |
15 | 14 | 13 | 12,5 | 12 | 9 | 8 | 12 | 10,5 |
| CUC 12-15 | 0,75 | 25 | 23 | 22 | 21 | 20 | 14 | 12 | 18 | 15 | |
| CUC 12-20 | 1,0 | 32 | 29 | 27 | 25 | 24 | 21 | 17 | 24 | 20 | |
| CUC 12-25 | 1,5 | 43 | 40 | 38 | 34 | 27 | 25 | 20 | 30,5 | 27 | |
| CUC 12-30 | 1,85 | 50 |
46 |
44 |
40 |
36 | 30 | 26 | 35 | 30 |
Конструкция и варианты исполнения

| № | Деталь | Материал |
| 1 | Напорный патрубок | Нержавеющая сталь AISI 304/ AISI 316 |
| 2 | Стяжные болты | Нержавеющая сталь AISI 304/ AISI 316 |
| 3 | Пакет ступеней | Нержавеющая сталь AISI 304/ AISI 316 |
| 4 | Рабочее колесо | Нержавеющая сталь AISI 304/ AISI 316 |
| 5 | Вал | Нержавеющая сталь AISI 304L/ AISI 316 |
| 6 | Напорный диффузор | Нержавеющая сталь AISI 304/ AISI 316 |
| 7 | Напорный патрубок | Нержавеющая сталь AISI 304/ AISI 316 |
| 8 | Торцевое уплотнение | |
| 9 | Крышка рабочей камеры | Нержавеющая сталь AISI 304/ AISI 316 |
| 10 |
Уплотнительное кольцо |
NBR |
| 11 |
Электродвигатель |
|
| 12 | Плита-основание | Сталь A3 |
Условия эксплуатации
- температура рабочей жидкости: -20...+120°С;
- максимальная температура окружающей среды: +50°С;
- максимальное рабочее давление: 10 бар;
- степень защиты: IP55.
Перекачиваемые жидкости
Насосы серии CUC предназначены для перекачивания чистых, маловязких, неагрессивных и взрывобезопасных жидкостей без твердых или длинноволокнистых включений. Перекачиваемая жидкость не должна механически или химически воздействовать на материал насоса. Насосы не предназначены для перекачивания воспламеняющихся или токсичных жидкостей.
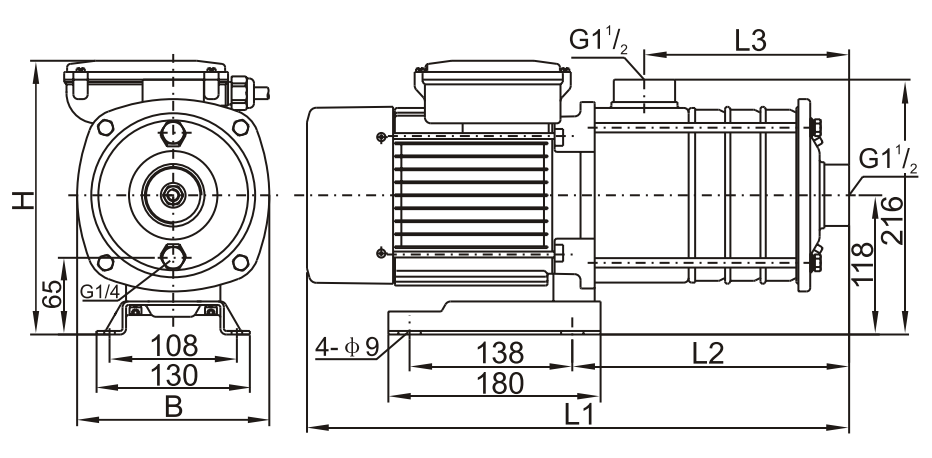
Габаритный чертеж
Размеры и масса
| Модель | Размеры, мм | Масса, кг | |||||||||
| 1-фазн. | 3-фазн. | ||||||||||
| L1 | L2 | L3 | H | В | L1 | L2 | L3 | H | В | ||
| CUC 12-10T |
340 |
144 | 83 | 227 | 163 | 340 | 144 | 83 | 220 | 163 | 14 |
| CUC 12-15T | 402 | 175 | 113 | 235 | 163 | 402 | 175 | 113 | 225 | 163 | 16 |
| CUC 12-20T | 444 | 175 | 113 | 262 | 168 | 444 | 175 | 113 | 225 | 163 | 24 |
| CUC 12-25T | 474 | 205 | 144 | 262 | 168 | 474 | 205 | 144 | 225 | 163 | 26 |
| CUC 12-30T | - | - | - | - | - | 494 | 205 | 144 | 230 | 168 | 28 |
Гарантийный срок на насосы WELLMIX составляет 2 года со дня продажи.
Листы данных
Задать вопрос
Нет в наличии


