Канализационные насосы с режущим механизмом 50GNWQ
- 50GNWQ 10-10-0,75-1
- 50GNWQ 10-10-0,75
- 50GNWQ 12-10-1,1
- 50GNWQ 15-15-1,5
- 50GNWQ 15-20-2,2
- 50GNWQ 20-20-3
|
Серия
|
GNWQ |
Общая информация
Насосы Wellmix серии GNWQ - это погружные канализационные насосы с режущим механизмом. Номинальная производительность составляет от 10 до 40 м3/ч, номинальный напор - от 10 до 20 м. Температура перекачиваемой жидкости от 10 до +40 °С.
Мощность электродвигателей находится в диапазоне от 0,75 до 4,0 кВт, число полюсов – 2. Параметры питающей сети: 3х380 В, 50 Гц.
Особенности конструкции
-
наличие режущего механизма
-
монтаж на автоматической трубной муфте или свободная установка на дне резервуара
Области применения
-
хозяйственно-бытовые сточные воды
-
дождевые сточные воды
-
промышленные стоки
-
дренаж на объектах строительства
-
дренаж на промышленных объектах
-
очистка сточных вод
Конструкция:
|
|
|

| Модель | Артикул | Qном, м3/ч | Нном, м | Диаметр фланца | Свободный проход, мм | Масса, кг |
Р2, кВт |
Длина кабеля, м |
| 50GNWQ 10-10-0,75-1 | 13119998 | 10 | 10 | 50 | 20 | 21 | 0,75 | 8 |
| 50GNWQ 10-10-0,75 | 13119999 | 10 | 10 | 50 | 20 | 21 | 0,75 | 8 |
| 50GNWQ 12-10-1,1 | 13119997 | 12 | 10 | 50 | 20 | 22 | 1,1 | 8 |
| 50GNWQ 15-15-1,5 | 13119996 | 15 | 15 | 50 | 20 | 34 | 1,5 | 8 |
| 50GNWQ 15-20-2,2 | 13119994 | 15 | 20 | 50 | 20 | 40 | 2,2 | 8 |
| 50GNWQ 20-20-3 | 13119992 | 20 | 20 | 50 | 20 | 41 | 3 | 8 |

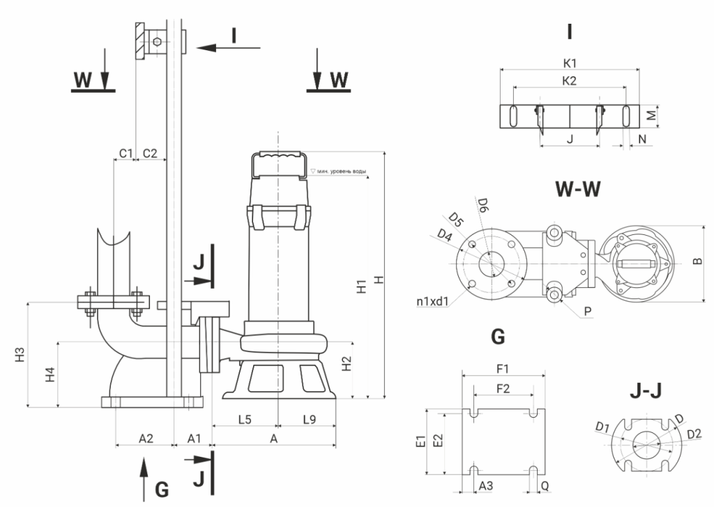
| Модель | H | H1 | H2 | A | B | L5 | L9 | L7 | L8 | D | D1 | D2 |
| 50GNWQ 10-10-0,75-1 | 455 | 455 | 130 | 205 | 176 | 125 | 80 | 88 | 88 | 140 | 110 | 50 |
| 50GNWQ 10-10-0,75 | 455 | 455 | 130 | 205 | 176 | 125 | 80 | 88 | 88 | 140 | 110 | 50 |
| 50GNWQ 12-10-1,1 | 490 | 490 | 130 | 205 | 176 | 125 | 80 | 88 | 88 | 140 | 110 | 50 |
| 50GNWQ 15-15-1,5 | 490 | 490 | 130 | 250 | 240 | 145 | 105 | 120 | 120 | 140 | 110 | 50 |
| 50GNWQ 15-20-2,2 | 490 | 490 | 130 | 250 | 286 | 145 | 105 | 143 | 143 | 140 | 110 | 50 |
| 50GNWQ 20-20-3 | 530 | 530 | 130 | 280 | 240 | 165 | 115 | 120 | 120 | 140 | 110 | 50 |
| Модель | Артикул | H3 | H4 | C1 | C2 | A1 | A2 | A3 | E1 | E2 | F1 | F2 | ØQ | J | P | ØD4 | ØD5 | ØD6 | n1xØd1 | K1 | K2 | M | ØN |
| 50GNWQ 10-10-0,75-1 | 13119998 | 208 | 130 | 44 | 61 | 74 | 86 | 19 | 130 | 112 | 164 | 118 | 15 | 104 | 27 | 142 | 110 | 50 | 4х14 | 266 | 215 | 44 | 12х2 |
| 50GNWQ 10-10-0,75 | 13119999 | 208 | 130 | 44 | 61 | 74 | 86 | 19 | 130 | 112 | 164 | 118 | 15 | 104 | 27 | 142 | 110 | 50 | 4х14 | 266 | 215 | 44 | 12х2 |
| 50GNWQ 12-10-1,1 | 13119997 | 208 | 130 | 44 | 61 | 74 | 86 | 19 | 130 | 112 | 164 | 118 | 15 | 104 | 27 | 142 | 110 | 50 | 4х14 | 266 | 215 | 44 | 12х2 |
| 50GNWQ 15-15-1,5 | 13119996 | 208 | 130 | 44 | 61 | 74 | 86 | 19 | 130 | 112 | 164 | 118 | 15 | 104 | 27 | 142 | 110 | 50 | 4х14 | 266 | 215 | 44 | 12х2 |
| 50GNWQ 15-20-2,2 | 13119994 | 208 | 130 | 44 | 61 | 74 | 86 | 19 | 130 | 112 | 164 | 118 | 15 | 104 | 27 | 142 | 110 | 50 | 4х14 | 266 | 215 | 44 | 12х2 |
| 50GNWQ 20-20-3 | 13119992 | 208 | 130 | 44 | 61 | 74 | 86 | 19 | 130 | 112 | 164 | 118 | 15 | 104 | 27 | 142 | 110 | 50 | 4х14 | 266 | 215 | 44 | 12х2 |
Гарантийный срок на насосы WELLMIX составляет 2 года со дня продажи.
Листы данных
Задать вопрос
| Новосибирск | 2 шт. | |
| Москва | 5 шт. |
