NKW 65-50-200/2
от 209 578 ₽
Нет в наличии
Модель NKW
- NKW 65-50-200-9,2/2
- NKW 65-50-200-11/2
- NKW 65-50-200-15/2
Характеристики
|
Серия
|
NKW |
Описание
NKW – серия насосов консольного типа.
Насосы NKW - это центробежные одноступенчатые несамовсасывающие насосы с осевым всасывающим и радиальным напорным патрубками. Соединение с трубопроводами фланцевого типа.
Размеры и номинальные характеристики соответствуют стандарту EN 733.
Перекачиваемая среда – чистая вода и жидкости, химически не агрессивные к материалам насоса. Температура перекачиваемой жидкости от -10 ºС до +120 ºС.
Серия NKW включает в себя насосы с 2-полюсным и с 4-полюсным электродвигателями. Производительность насосов с 2-полюсным электродвигателем достигает 1000 м3/ч, максимальный напор – 164 м. Производительность насосов с 4-полюсным электродвигателем достигает 1500 м3/ч и напора 72 м.
Области применения
— системы повышения давления в коммунальном водоснабжении
— системы повышения давления в производственных зданиях
— системы водоподготовки
— системы пожаротушения
— перекачивание жидкости в системах отопления, кондиционирования, вентиляции
— системы орошения
— циркуляция в климатических системах
Условия эксплуатации
Насос не предназначен для установки в условиях воздействия агрессивных и взрывоопасных сред. Относительная влажность воздуха не должна превышать 95%, температура окружающей среды должна находится в диапазоне от -10 ºС до +50 ºС.
Если температура окружающей среды превышает рекомендованную максимальную температуру, или высота над уровнем моря значительна, то эксплуатировать электродвигатель в режиме полной нагрузки не рекомендуется по причине недостаточного охлаждения. В таких случая необходимо использовать электродвигатель большей мощности.
Конструкция


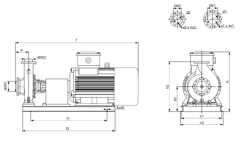
Габаритные размеры

Насосы NKW - это центробежные одноступенчатые несамовсасывающие насосы с осевым всасывающим и радиальным напорным патрубками. Соединение с трубопроводами фланцевого типа.
Размеры и номинальные характеристики соответствуют стандарту EN 733.
Перекачиваемая среда – чистая вода и жидкости, химически не агрессивные к материалам насоса. Температура перекачиваемой жидкости от -10 ºС до +120 ºС.
Серия NKW включает в себя насосы с 2-полюсным и с 4-полюсным электродвигателями. Производительность насосов с 2-полюсным электродвигателем достигает 1000 м3/ч, максимальный напор – 164 м. Производительность насосов с 4-полюсным электродвигателем достигает 1500 м3/ч и напора 72 м.
Области применения
— системы повышения давления в коммунальном водоснабжении
— системы повышения давления в производственных зданиях
— системы водоподготовки
— системы пожаротушения
— перекачивание жидкости в системах отопления, кондиционирования, вентиляции
— системы орошения
— циркуляция в климатических системах
Условия эксплуатации
Насос не предназначен для установки в условиях воздействия агрессивных и взрывоопасных сред. Относительная влажность воздуха не должна превышать 95%, температура окружающей среды должна находится в диапазоне от -10 ºС до +50 ºС.
Если температура окружающей среды превышает рекомендованную максимальную температуру, или высота над уровнем моря значительна, то эксплуатировать электродвигатель в режиме полной нагрузки не рекомендуется по причине недостаточного охлаждения. В таких случая необходимо использовать электродвигатель большей мощности.
Конструкция

| № | Деталь |
| 1 | Фланец всасывающего патрубка |
| 2 | Фланец напорного патрубка |
| 3 | Корпус насоса |
| 4 | Рабочее колесо |
| 5 | Торцевое уплотнение |
| 6 | Уплотнительное кольцо |
| 7 | Крышка корпуса насоса |
| 8 | Вал насоса |
| 9 | Крышка подшипника |
| 10 | Подшипник |
| 11 | Корпус подшипникового узла |
| 12 | Подшипник |
| 13 | Муфта соединительная |
| 14 | Вал двигателя |
| 15 | Электродвигатель |
| 16 | Кожух вентилятора элетродвигателя |
| 17 | Клеммная коробка |
| 18 | Гайка рабочего колеса |

| Модель | Артикул | Р, кВт | Сила тока, А | Ǫном, м³/ч | H ном, м |
| NKW 65-50-200-9,2/2 | 26069994 | 9,2 | 17,3 | 61 | 38 |
| NKW 65-50-200-11/2 | 26069993 | 11 | 21 | 60 | 46 |
| NKW 65-50-200-15/2 | 26069992 | 15 | 28,4 | 61 | 49,5 |
Габаритные размеры

| Модель | a | f | f1 | f2 | h | h1 | h2 | n | n1 | n2 | Øs | ØDN1 | e1 | Øs1 | Ød1 | ØDN2 | e2 | Øs2 | Ød2 |
| NKW 65-50-200-9,2_2 | 104,5 | 1000 | 750 | 900 | 440 | 235 | 440 | - | 400 | 430 | 18 | 65 | 4 | 18 | 145 | 50 | 4 | 18 | 125 |
| NKW 65-50-200-11_2 | 104,5 | 1139 | 850 | 1000 | 440 | 235 | 440 | - | 395 | 430 | 18 | 65 | 4 | 18 | 145 | 50 | 4 | 18 | 125 |
| NKW 65-50-200-15_2 | 104,5 | 1139 | 850 | 1000 | 440 | 235 | 440 | - | 395 | 430 | 18 | 65 | 4 | 18 | 145 | 50 | 4 | 18 | 125 |
Гарантия
Гарантийный срок на насосы WELLMIX составляет 2 года со дня продажи.
Листы данных
NKW 65-50-200-9,2_2 26069994
369,3 кб
NKW 65-50-200-11_2 26069993
369,7 кб
NKW 65-50-200-15_2 26069992
369,7 кб
Задать вопрос
Задать вопрос
Нет в наличии
