Энергоэффективные циркуляционные насосы WRE BASIC 40-180F
Новинка
от 45 543 ₽
Нет в наличии
Ожидается
Москва
В пути: 16 шт.
Ожидается: 13.03.2026
Ожидается: 16 шт.
Модель
- WRE BASIC 40-180 F_220V
- WRE BASIC 40-180 F_380V
Характеристики
|
Серия
|
WRE |
Описание
ОБЩИЕ СВЕДЕНИЯ
WRE (фланцевые) - серия циркуляционных насосов с мокрым ротором. Стандартный присоединительный размер - от 32 до 80 мм. Электронное управление.
Производительность - до 53 м3/час, напор - до 16 м. Мощность двигателя - до 1300 Вт.
Перекачиваемая жидкость - вода или антифриз для систем отопления на основе гликоля с концентрацией не более 50%. Жидкость должна быть чистой, неагрессивной, без твердых или длинноволокнистых включений, а также взрывоопасных и легковоспламеняющихся жидкостей.
ОБЛАСТИ ПРИМЕНЕНИЯ:
- циркуляция теплоносителя в системах радиаторного отопления
- циркуляция теплоносителя в системах типа «тёплый пол»
- циркуляция воды в системах горячего водоснабжения
- циркуляция в система кондиционирования
ОСОБЕННОСТИ КОНСТРУКЦИИ
- двигатель с мокрым ротором
- 3 фиксированные скорости и АВТО
- катафорезное покрытие внутренних поверхностей
- степень пыле- и влаго-защиты IP44
- температура перекачиваемой жидкости до 110 °С
- материал корпуса - чугун
УСЛОВИЯ ЭКСПЛУАТАЦИИ
| Температура жидкости | Минимальное давление |
| ≤ +85 °С | 0.005 МПа |
| ≤ +90 °С | 0.028 МПа |
| ≤ +110 °С | 0.100 МПа |
WRE BASIC 40-180F

| Модель | Артикул | Н мах, м | Q мах, м3/ч | Напр-е, В | Мощность, Вт | Ток, А | Уровень шума, дБ | ||
| min | max | min | max | ||||||
| WRE BASIC 40-180 F_220V | 16049989 | 18 | 21 | 220 | 500 | 800 | 3,8 | 6 | 42 |
| WRE BASIC 40-180 F_380V | 16049988 | 18 | 21 | 380 | 500 | 800 | 1,3 | 2 | 42 |

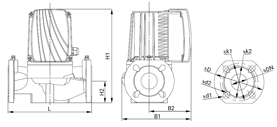
| Модель | L | H1 | H2 | B1 | B2 | D | k1 | d1 | k2 | d2 | DN | Масса, кг |
| WRE BASIC 40-180 F_220V | 220 | 300 | 65 | 217 | 140 | 150 | 110 | 19 | 100 | 40 | 14 | 14,6 |
| WRE BASIC 40-180 F_380V | 220 | 300 | 65 | 217 | 140 | 150 | 110 | 19 | 100 | 40 | 14 | 14,6 |
Гарантия
Гарантийный срок на насосы WELLMIX составляет 2 года со дня продажи.
Katalog-WRS_-WRE-16.02.2026
2,7 мб
Листы данных
WRE BASIC 40-180F_220V 16049989
256,8 кб
WRE BASIC 40-180F_380V 16049988
257,2 кб
Задать вопрос
Задать вопрос
| Москва | В пути: 16 шт. Ожидается: 13.03.2026 шт. |
